基于单片机的汽车倒车雷达设计与实现
[关键词:单片机,倒车雷达] [热度 ]| 提示:此毕业设计论文完整版包含【论文,电路图】 作品编号:clgc0239,word全文:29页,合计:14000字 |
以下仅为该作品极少介绍,详细内容请点击购买完整版!
基于单片机的汽车倒车雷达设计与实现毕业设计论文------
本车辆工程毕业设计论文作品由 毕业论文设计参考 [http://www.qflunwen.com] 征集整理——基于单片机的汽车倒车雷达设计与实现(论文,电路图)!
主要研究问题
(1)超声波测距范围小于350cm,距离显示分辨率1cm,测距误差小于5%;
(2)超声波在传播中距离的计算;
(3)超声波的发射和接受能否顺利完成,达到实时显示倒车距离,倒车距离显示的是测距值的最小值,在达到设计要求的最小距离时系统产生报警。
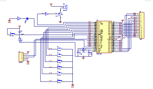
本研究所设计的倒车雷达系统,通过超声波传感器反射超声波,使用STC89C51高速单片机计算测量车与障碍物之间的往返时间,计算出车和障碍物之间的距离然后显示在LED数码管上,当在探测的范围有障碍物时,蜂鸣器提示报警。
在设计本产品时,通过查阅网络与图书馆搜集到的材料,再加上指导老师的指导与资料提供,与生活中对于超声波的工作原理的观察研究相结合,设计出了这个超声波倒车雷达系统,完成了课题的要求,但是由于设计的理论基础知识掌握不充足,对课题的研究深度还不够,在某些地方还不能阐述的非常详尽,但设计的系统中也有着自己的特点,特点如下:
(1)产品价格低廉;
(2)采用模块化设计,使用方便;
(3)利用超声波传感器和单片机,易安装,稳定性好;
(4)超声波接收和发射分开,防止了信号发射和接收的不准确;
由于考虑了成本问题,在硬件上使用了DYP-ME007超声波传感器,在软件上,充分利用了STC89C51的强大功能。



以上仅为该作品极少介绍,详细内容请点击购买完整版!
| 提示:此毕业设计论文完整版包含【论文,电路图】 作品编号:clgc0239,word全文:29页,合计:14000字 |
本车辆工程毕业设计论文作品由 毕业论文设计参考 [http://www.qflunwen.com] 征集整理——基于单片机的汽车倒车雷达设计与实现(论文,电路图)!
相关毕业设计
论文目录排行

当前位置: